聯系方式 |
| 電話(市場部):0517-86851868 |
| 0517-86882048 |
| 0517-86881908 |
| (拓展部):0517-86882683 |
| 傳真:0517-86851869 |
節假日商務聯系電話:
何經理:13655238295
紀經理:18015196880 |
| 郵編:211600 |
| 網址:http://www.sz-solarcharger.cn/ |
| http://www.sukeyb.com/ |
| E-mail:china-suke@163.com |
| sukeyb@163.com |
地址:江蘇省金湖縣工業園區環城西
路269號 |
|
|
SKD72水滴天線雷達物位計

簡介:
SKD72水滴天線雷達物位計測量最大距離可達70米。天線被進一步優化處理,新型的快速的微處理器可以進行更高速率的信號分析處理,使得儀表可以用于如:反應釜或固體料倉非常復雜的測量條件。
原理
水滴天線雷達物位計天線發射較窄的微波脈沖,經天線向下傳輸,微波接觸到被測介質表面后被反射回來,再次被天線系統接收并將其傳輸給電子線路部分自動轉換成物位信號。(因為微波傳播速度極快,電磁波到達目標并經反射返回接收器這一來回所用的時間幾乎是瞬間的)
SKD72水滴天線雷達物位計參數
應??用:固體料、強粉塵、易結晶、結露場合
測量范圍:70米
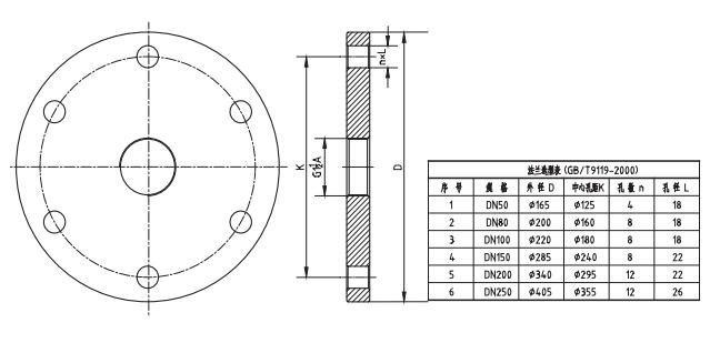
過程連接:法蘭、萬向法蘭
介質溫度:-40~150℃
過程壓力:常壓
精??度:±3mm
頻率范圍:26GHz
防爆等級:Exd IIBT4 Gb
防護等級:IP67
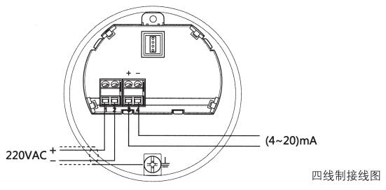
信號輸出:4~20mA/HART(兩線/四線)
SKD72水滴天線雷達物位計外型尺寸圖

SKD72水滴天線雷達物位計安裝

SKD72水滴天線雷達物位計選型
單元 |
參數 |
防爆 |
P標準型(非防爆)
I隔爆型(Exd II BT4 Gb) |
過程連接/材料 |
B法蘭DN80/不銹鋼304
C法蘭DN100/不銹鋼304
D法蘭DN125/不銹鋼304
E法蘭DN150/不銹鋼304
M法蘭DN80/萬向節(不銹鋼304)
K法蘭DN100/萬向節(不銹鋼304)
T法蘭DN125/萬向節(不銹鋼304)
Z法蘭DN150/萬向節(不銹鋼304)
Y特殊定制 |
天線形式/材料 |
B水滴天線/不銹鋼PTFE
C水滴天線/ PTFE |
密封/過程溫度 |
V Viton/(-40~120)℃
K Kalrez/(-40~250)℃ |
電子單元 |
3 (4~20)mA/(24)V DC/HART兩線制
5 (4~20)mA/(~220V DC/HART兩線制 |
外殼/防護等級 |
L 鋁/IP67
G 不銹鋼304/IP67 |
電纜進線 |
M M20*1.5
N 1/2NPT |
特殊定制 |
Y 特殊定制 |
SKD72水滴天線雷達物位計外殼尺寸

SKD72水滴天線雷達物位計法蘭選型圖

SKD72水滴天線雷達物位計接線圖


 相關產品推薦:棒式防腐雷達物位計;喇叭口雷達物位計;衛生型平面雷達物位計;拋物面雷達物位計;萬向喇叭雷達物位計;
|